I. Tủ nạp acquy – Thành phần không thể thiếu bảo vệ Acquy của bạn

Ac quy là Thành phần quan trọng nhất của hệ thống nguồn dự phòng và dễ bị tổn thương nhất với những thay đổi xung quanh. Rất quan trọng để xem xét lựa chọn công nghệ của bộ sạc ac quy cùng với các tính năng chăm sóc của bộ sạc.

Lựa chọn một bộ sạc acquy phù hợp phải xem xét trên các yếu tố:
Khi bạn đã xem xét đủ các yếu tố chăm sóc cho acquy của mình, thì một thành phần khác cũng rất quạn trọng là đảm bảo điện áp trong giới hạn cho phép cho tải DC.
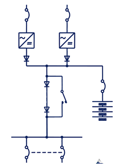
Một thành phần quan trọng để đảm bảo an toàn cho tải DC của bạn là hệ thống Diodes giảm áp hay còn gọi là Dropping Diode.
II. Khi nào cần sự tham gia của Dropping Diode?

Trong khi sạc – chế độ tự động, điện áp pin có thể cao hơn danh nghĩa từ 10% đến 20% tùy chủng loại acquy và hãng cung cấp acquy.
Để ngăn chặn sự cố hư hỏng tải, theo TCVN cho phép, +/- 10% điện áp danh định. Nghĩa là có thể cần phải giảm một phần điện áp này trên một số loạt diodes.
Trong khi phóng điện, sự sụt giảm điện áp này là không mong muốn vì vậy các contactor shorting sẽ đóng để loại bỏ tác động của Diodes này.
Điện áp giảm này, được chuyển hóa thành nhiệt năng – thuẩn trở và thoát ra môi trường bên ngoài qua các tấm tản nhiệt.

III. Phân tích trên hệ thống 220VDC – 150A ( Trạm 500kV)

Trong hồ sơ thầu của một số trạm 500kV hiện nay, yêu cầu điện áp DC trên thanh cái DC ra tải duy trì mức +/- 2%, bộ nạp có khả năng cắt điện áp đến 16V.
“Hệ thống diode giảm áp > 16V (mỗi bước 2V hoặc theo bước thực tế) với điện áp phụ nạp là 1,4V. Nếu nhà thầu cung cấp accu có điện áp phụ nạp > 1.4V thì số lượng diode phải được nhà thầu tính toán lại sao cho điện áp thanh cái + 2%”
Xem xét thực tế của yêu cầu này:
Vậy:
Điện áp đầu ra: 220VDC đén 240VDC
Tham khảo các tiêu chuẩn IEC và kinh nghiệm từ các chuyên gia thiết kế hàng đầu. Câu trả lời là Không.
Các tải DC ngay nay đều được thiết kế đảm bảo hoạt động tốt và an toàn trong giới hạn điện áp 220VDC +/- 10%.
Điện áp tối đa trên thanh cái = 220VDC *1.02 = 224.4 VDC
Điện áp cắt tại chế độ nạp tự động lớn nhất: 249.4 – 224.4 = 25 VDC
Điện áp cắt liên tục, khi acquy nạp đầy: 244.24 – 224.4 = 19.86 VDC
Chế độ tự động: 25 x 40 = 1,000 W
Trạng thái bình thường: 19.86 * 40 = 794.4 W
Dự kiến, trong 01 ngày 24 tiếng, có 0.5h chạy nạp tự động, còn lại ở trạng thái bình thường. Tổng công suất điện hao phí: 1,000 * 0.5 + 794.4 * 23.5 = 19,168.4 Wh = 19. 16 kWh
Tính giá điện: 1,600 VNĐ/ 1 kWh
Note: Đây mới là tính tổn hao tỏa nhiệt ra môi trường, thực tế để làm mát cho nhiệt lượng tỏa ra này, phải sử đụng điều hòa. Và chi phí sử dụng và khấu hao điều hòa chưa tính tới.
Nhìn từ góc độ “ Tiết Kiệm Năng Lượng “ rất mong các nhà tư vấn, chủ đầu tư và nhà thầu xem xét và đánh giá sự cần thiết của “ Dropping Diode “ trong việc đầu tư và đưa vào thông số kỹ thuật ở yêu cầu vừa đủ, hợp lý. Giảm tổn thất trên lưới điện.
# Tủnạpacquy
# Droppingdiode
# Diotgiảmáp
# Tiếtkiệmđiệnnăng

EMS TRỞ THÀNH ĐỐI TÁC PHÂN PHỐI ĐỘC QUYỀN TRỤ SẠC NHANH CHO XE Ô TÔ ĐIỆN CỦA PILOT

Hiện nay EMS hiện đang tuyển dụng vị trí Chuyên viên Kinh doanh Cơ Điện dành cho các ứng viên…

EMS ĐƯỢC VINH DANH LÀ ĐỐI TÁC KIM CƯƠNG CỦA VERTIV TẠI SỰ KIỆN "VERTIV 2024 ASIA CHANNEL SUMMIT"
